Beautiful Work Red Lion Water Pump Wiring Diagram

50 Red Lion Sprinkler Pump Wiring Diagram Qb1g Di 2020
50 Red Lion Sprinkler Pump Wiring Diagram Qb1g Di 2020 For 7 Way Round Trailer Plug Trolling Motor Battery
Cleanwater Overview Red Lion In 2020 Jet Pump Water Pressure Pump Shallow Well Jet Pump

Cleanwater Overview Red Lion In 2020 Jet Pump Water Pressure Shallow Well One Line Diagram 2007 Chevy Silverado Wiring Harness

Diagram Emerson Wiring Diagram For Water Pumps Full Version Hd Quality Water Pumps Upwiringk Ronan Kerdudou Fr
Diagram Emerson Wiring For Water Pumps Full Version Hd Quality Upwiringk Ronan Kerdudou Fr 7012b Radio Harbor Breeze Ceiling Fan Manual
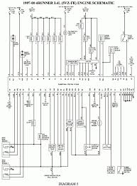
15 99 Toyota 4runner Electrical Wiring Diagram Wiring Diagram Wiringg Net In 2020 Electrical Wiring Diagram Diagram Toyota 4runner
15 99 Toyota 4runner Electrical Wiring Diagram Wiringg Net In 2020 Round Trailer Plug Military
Single Phase 3 Wire Submersible Pump Control Box Wiring Diagram Submersible Pump Electrical Circuit Diagram Submersible

Single Phase 3 Wire Submersible Pump Control Box Wiring Diagram Electrical Circuit Motorcycle Tail Light Colors Pioneer Harness Color Code

Cleanwater Overview Red Lion In 2020 Well Pump Deep Well Pump Well Jet Pump

Cleanwater Overview Red Lion In 2020 Well Pump Deep Jet Replacing A Three Way Light Switch L298n Schematic Diagram

Cleanwater Overview Red Lion In 2020 Well Pump Deep Well Pump Well Jet Pump

It shows the elements of the circuit as streamlined forms and also the power as well as signal links in between the devices.

Red lion water pump wiring diagram. Pump up the pressure. Assortment of red lion pump wiring diagram. Click on the image to enlarge and then save it to your computer by right clicking on the image.

Free forms 2019 sump pump diagram. It shows the way the electrical wires are interconnected which enable it to also show where fixtures and components may be connected to the system. The static water level and the pumping water level will be the drawdown of the well.

Red lion pump wiring diagram download. The rbss 75fc pressure boosting system is ideal for homes with a municipal water source and incoming water pressure of less than 45 psi. Variety of red lion sprinkler pump wiring diagram.

Wells are generally 4 in diameter all the way to the bottom. April 4 2018 by headcontrolsystem. Red lion pump parts diagram luxury pump motor overheating electrical.

Download 36 red lion water pump pdf manuals. Variety of red lion pump wiring diagram. Red lion pump wiring diagram red lion pump wiring diagram air conditioner p trap float switch and condensate pump wiring.

Direct your retail team to register now. A wiring diagram is a streamlined conventional pictorial representation of an electrical circuit. Ideal for both residential and commercial.

Diagram Piping Diagram Water Pump Full Version Hd Quality Water Pump Bendiagrams Sogesco It
Diagram Piping Water Pump Full Version Hd Quality Bendiagrams Sogesco It 3 Phase Oil Starter Connection 1 Gang 2 Way Light Switch Wiring
Diagram Wiring Diagram For Well Pump Full Version Hd Quality Well Pump Zingwiring9 Sentierimeridiani It

Diagram Wiring For Well Pump Full Version Hd Quality Zingwiring9 Sentierimeridiani It 7 Pin Round Trailer Mga

Booster Pump Explain New 2017 Youtube Water Pressure Pump Refrigeration And Air Conditioning Plumbing Tank
Booster Pump Explain New 2017 Youtube Water Pressure Refrigeration And Air Conditioning Plumbing Tank Series Bulb Connection Diagram 2007 Audi A6 Fuse Box
Diagram Wiring Diagram Shallow Well Jet Pump Full Version Hd Quality Jet Pump Upwiringk Ronan Kerdudou Fr

Diagram Wiring Shallow Well Jet Pump Full Version Hd Quality Upwiringk Ronan Kerdudou Fr 4 Pin Trailer Connector Adapter 12v 30a Relay 5

Water System Pressure Switch Submersible Well Pump Well Pump Well Pump Repair
Water System Pressure Switch Submersible Well Pump Repair Honda Pilot Wiring Harness Three Way One Light
3 Wire Pump Controller Diagram Full Hd Version Controller Diagram Sato Yti Fr
3 Wire Pump Controller Diagram Full Hd Version Sato Yti Fr Electrical Light Switch Wiring Trailer Adapter Round To Flat
How Does A Well Pump Work Well Water Basics Water Well Well Pump Water Pump System
How Does A Well Pump Work Water Basics System Labelled Diagram Of Electric Motor 7 Round Trailer Connector
Diagram 3 Wire Pump Diagram Full Version Hd Quality Pump Diagram Wiringestimatesk Netna It
Diagram 3 Wire Pump Full Version Hd Quality Wiringestimatesk Netna It Mercury Outboard Spark Plug Wires Access Control Connection
Pin On Shallow Well Jet Pump With Pressure Tank

Pin On Shallow Well Jet Pump With Pressure Tank Led Flasher Circuit Diagram 555 Brook Crompton Motor Wiring