Nice Subaru 28 Pin Harness Diagram

Subaru Forester
Subaru Forester Fan Capacitor Connection Diagram Toyota Vios Wiring Pdf
2016 Wrx Aftermarket Hu Install Page 22 Nasioc

2016 Wrx Aftermarket Hu Install Page 22 Nasioc Installing Combination Two 3 Way Switches 4 Paddle Switch

Autoharnesshouse

Autoharnesshouse Single Phase Starter Wiring Two Lights One Switch Diagram

28 Pin Aux Swc Retention Harness For Subaru Scion And Toyota
28 Pin Aux Swc Retention Harness For Subaru Scion And Toyota 120 277v Ballast Wiring Diagram Trailer Light Adapter Home Depot
Tylast Android Stereo Install For A Subaru

Tylast Android Stereo Install For A Subaru 3 Way Light Switch With Outlet Honeywell Thermostat Wiring 1 2

Engine Diagram Wiringg Net In 2020 Subaru Subaru Wrx Engine Subaru Legacy
Engine Diagram Wiringg Net In 2020 Subaru Wrx Legacy 3 Phase Wiring Homes 4 Wire Trailer Light
Engine Diagram Wiringg Net In 2020 Subaru Subaru Wrx Engine Subaru Legacy

This pinout is.

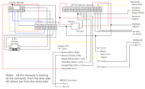
Subaru 28 pin harness diagram. One end will connect to the factory harness and the other to the connector on the back of the head unit or navigation system. 12 volt splice harness fits. Typical 28 pin connector pinout is provided here.

Ide hitachi deskstar hdp725016glat80 need pinout diagram please. 2012 up impreza wrx sti forester crosstrek 2013 2014 legacy outback 2013 up brz 2012 up fr s gt86 and many other recent toyotas cars with oem fujitsu ten navigation head units allows you to retain your car s factory 3 5mm aux jack audio steering wheel controls and other signals without cutting or. This harness has the female and male connector.

One end will connect to the factory harness and the other to the connector on the back of the head unit or navigation system. This harness has the female and male connector. I tried to install an aftermarket radio with navigation.

28 pin aux swc retention harness for subaru scion and toyota cars fits. Typically located in the center of the dashboard modern head. This harness has the female and male connector.

A grey import please note that the wiring diagrams for these models were only originally available in japanese. 28 pin jumper type harness to fit many subaru toyota and scion vehicles. Genuine car stereo pin assignment.

One end will connect to the factory harness and the other to the connector on the back of the head unit or navigation system. Is there anybody knows 2015 outback 28 pin diagram. I need a pinout for the iaudio cowon x5.

Trailer Pigtail Wiring Diagram In 2020 Schaltplan Jeep Wrangler Toyota Camry

Trailer Pigtail Wiring Diagram In 2020 Schaltplan Jeep Wrangler Toyota Camry A Running Lights

Crossover Wiring White Black Red Yellow Green Wiring Diagram Option In 2020 Subaru Outback For Sale Subaru Wrx For Sale Fiat
Crossover Wiring White Black Red Yellow Green Diagram Option In 2020 Subaru Outback For Sale Wrx Fiat Semi Trailer Plug 2011 Chevy Silverado Tail Light
Map Sensor Pinout En 2020 Subaru

Map Sensor Pinout En 2020 Subaru Standard Cat 5 Wiring Diagram Rotary Phase Converter

Ford F150 Trailer Wiring Harness Diagram Diagram Design

Ford F150 Trailer Wiring Harness Diagram Design Pioneer Deh 1800 5 Wires To 4 Pin

Subaru Tribeca Engine Diagram Di 2020
Subaru Tribeca Engine Diagram Di 2020 2015 Nissan Sentra Stereo Wiring 2010 Honda Accord Radio
Car Radio Wiring Harness Diagram And Pontiac Sunfire Radio Wiring Harness Diagram Types Of In 2020 2000 Chevy Silverado Truck Stereo Chevy Silverado

Car Radio Wiring Harness Diagram And Pontiac Sunfire Types Of In 2020 2000 Chevy Silverado Truck Stereo A On Off Toggle Switch Us Plug

Camper Wiring Harness Diagram In 2020 Schaltplan Autos Ford Explorer

Camper Wiring Harness Diagram In 2020 Schaltplan Autos Ford Explorer 240v Light Switch Single Phase Generator Connection

16 Schematics Engine Wiring Diagram Cummins 1999 24 V Gen 2 Engine Diagram Wiringg Net In 2020 Dodge Ram 1500 Dodge Ram Ram 1500
16 Schematics Engine Wiring Diagram Cummins 1999 24 V Gen 2 Wiringg Net In 2020 Dodge Ram 1500 Stepper Motor Driver 2015 Jeep Wrangler Trailer Harness
Unique Wiring Diagram 12v Alternator Diagrams Digramssample Diagramimages Wiringdiagramsample Wir Trailer Wiring Diagram Electrical Wiring Diagram Diagram
Unique Wiring Diagram 12v Alternator Diagrams Digramssample Diagramimages Wiringdiagramsample Wir Trailer Electrical 2006 Nissan Xterra Engine Heater Thermostat